Many
Manuals
search
Categorias
Marcas
Principal
Evolution
Barras de som
EVO2-50
Especificações
Evolution EVO2-50 Especificações Página 14
Descarregar
Partilhar
Partilha
Adicionar aos meus manuais
Imprimir
Página
/
64
Índice
RESOLUÇÃO DE PROBLEMAS
MARCADORES
Avaliado
.
/ 5. Com base em
avaliações de clientes
1
2
3
4
5
6
7
8
9
10
11
12
13
14
15
16
17
18
19
20
21
22
23
24
25
26
27
28
29
30
31
32
33
34
35
36
37
38
39
40
41
42
43
44
45
46
47
48
49
50
51
52
53
54
55
56
57
58
59
60
61
62
63
64
1
GENERAL INFORMA
TION
14
GB
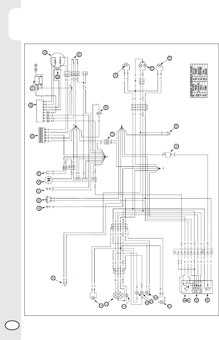
ELECTRICAL SYSTEM
ELECTRICAL DIAGRAM FOR HOMOLOGA
TED VERSION
1
2
...
9
10
11
12
13
14
15
16
17
18
19
...
63
64
CONTENTS
3
OPERATING INSTRUCTIONS
5
ECOLOGIC GUIDE
5
RIDING SAFETY
6
GENERAL INFORMATION
10
OPERATION
19
ADJUSTMENTS
27
CHECKS AND MAINTENANCE
33
TROUBLESHOOTING
61
ALPHABETICAL INDEX
63
Comentários a estes Manuais
Sem comentários
Publish
Manuais e produtos relacionados com Barras de som Evolution EVO2-50
Barras de som Evolution EVO40 Manual do Utilizador
(4 páginas)
Barras de som Evolution EVO30 Manual de Instruções
(20 páginas)
Barras de som Evolution EVO20 Manual de Instruções
(6 páginas)
Barras de som Evolution EVO-50 Manual de Instruções
(20 páginas)
Barras de som Evolution EVO-50 Manual do Utilizador
(1 páginas)
Barras de som Evolution EVO40 Manual do Utilizador
(4 páginas)
Imprimir documento
Imprimir página 14
Comentários a estes Manuais